设计标准
•技术依据:国标、美标
•设计标准:GB/T12237, ASME B16.34
•结构长度:GB/T12221
•连接法兰:GB/T 9113 JB 79 ASME B16.5
•试验与检验:GB/ T 26480 API598
性能规范
• 公称压力:1.6MPa, 150Lb
• 强度试验:2.4, 3.0MPa
• 密封试验:1.8, 2.2MPa
• 气密封试验:0.6Mpa
• 阀门主体材料:WCB(C), CF8(P)
CF3(PL), CF8M( R)、CF3M(RL)
• 适用介质:水、蒸汽、油、硝酸类、醋酸类等。
•适用温度:-29℃-150℃
产品概览
1、气动三通球阀,三通球阀在结构上采用一体式结构,4侧阀座密封式,法兰连接少,可靠性高,设计实现轻量化
2、三通球阀门使用寿命长、流量大、阻力小
3、三通球阀按作用分单作用和双作用两种,单作用型的特点是一旦电源故障,球阀就会在控制系统中国家要求
球阀和闸阀是同一种阀门,不同之处在于它的关闭部分是一个球体,球体围绕阀体中心线旋转以开启和关闭阀门。球阀主要用于管道中用于切断、分配和改变介质的流动方向。球阀是一种应用广泛的新型阀门。
产品结构


主要零件材料
| 材料名称 | 碳钢 | 不锈钢 | |
阀体 | WCB | CF8 | CF8M、CF3M |
阀盖 | WCB | CF8 | CF8M、CF3M |
球体 | 304 | 304 | 316 |
阀杆 | 304 | 304 | 316 |
阀座 | PTFE、RPTFE | ||
填料 | PTFE / 柔性石墨 | ||
压盖 | WCB | CF8 | |
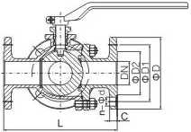
主要外形尺寸
DN | L | PN16 | D | D1 | D2 | C | N-ΦB | 150LB | D | DI | D2 | C | N-ΦB | 10K | D | D1 | D2 | C | N-ΦB |
15 | 150 | 95 | 65 | 45 | 14 | 4-14 | 90 | 60.3 | 34.9 | 10 | 4-16 | 95 | 70 | 52 | 12 | 4-15 | |||
20 | 160 | 105 | 75 | 55 | 14 | 4-14 | 100 | 69.9 | 42.9 | 10.9 | 4-16 | 100 | 75 | 58 | 14 | 4-15 | |||
25 | 180 | 115 | 85 | 65 | 14 | 4-14 | 110 | 79.4 | 50.8 | 11.6 | 4-16 | 125 | 90 | 70 | 14 | 4-19 | |||
32 | 200 | 135 | 100 | 78 | 16 | 4-18 | 115 | 88.9 | 63.5 | 13.2 | 4-16 | 135 | 100 | 80 | 16 | 4-19 | |||
40 | 220 | 145 | 110 | 85 | 16 | 4-18 | 125 | 98.4 | 73 | 14.7 | 4-16 | 140 | 105 | 85 | 16 | 4-19 | |||
50 | 240 | 160 | 12b | 100 | 16 | 4-18 | 150 | 120.7 | 92.1 | 16.3 | 4-19 | 155 | 120 | 100 | 16 | 4-19 | |||
65 | 260 | 180 | 145 | 120 | 18 | 4-18 | 180 | 139.7 | 104.8 | 17.9 | 4-19 | 175 | 140 | 120 | 18 | 4-19 | |||
80 | 280 | 195 | 160 | 135 | 20 | 8-18 | 190 | 152.4 | 127 | 19.5 | 4-19 | 185 | 150 | 130 | 18 | 8-19 | |||
100 | 320 | 215 | 180 | 155 | 20 | 8-18 | 230 | 190.5 | 157.2 | 24.3 | 8-19 | 210 | 175 | 155 | 18 | 8-19 | |||
125 | 380 | 250 | 210 | 188 | 22 | 8-18 | 255 | 215.9 | 185.7 | 24.3 | 8-19 | 250 | 210 | 182 | 20 | 8-23 | |||
150 | 440 | 285 | 240 | 212 | 22 | 8-22 | 280 | 241.3 | 215.9 | 25.9 | 8-22 | 280 | 240 | 212 | 22 | 8-23 |
主要外形尺寸(高平台)
DN | L | ISO5211 | TXT | PN16 | D | D1 | D2 | C | N-ΦB | 150IB | D | D1 | D2 | C | N-ΦB | 10K | D | D1 | D2 | C | N-ΦB |
15 | 180 | F03/F04 | 9X9 | 95 | 6S | 45 | 14 | 4-14 | 90 | 60.3 | 34.9 | 10 | 4-16 | 95 | 70 | 52 | 12 | 4-15 | |||
20 | 190 | F03/F04 | 9X9 | 105 | 75 | 55 | 14 | 4-14 | 100 | 69.9 | 42.9 | 10.9 | 4-16 | 100 | 75 | 58 | 14 | 4-15 | |||
25 | 215 | F04/F05 | 11X11 | 115 | 85 | 65 | 14 | 4-14 | 110 | 79.4 | 50.8 | 11.6 | 4-16 | 125 | 90 | 70 | 14 | 4-19 | |||
32 | 230 | F04/F05 | 11X11 | 135 | 100 | 78 | 16 | 4-18 | 115 | 88.9 | 63.5 | 13.2 | 4-16 | 135 | 100 | 80 | 16 | 4-19 | |||
40 | 255 | F05/F07 | 14X14 | 145 | 110 | 85 | 16 | 4-18 | 125 | 98.4 | 73 | 14.7 | 4-16 | 140 | 105 | 85 | 16 | 4-19 | |||
50 | 280 | F07 | 17X17 | 160 | 125 | 100 | 16 | 4-18 | 150 | 120.7 | 92.1 | 16.3 | 4-19 | 155 | 120 | 100 | 16 | 4-19 | |||
65 | 310 | F07 | 17X17 | 180 | 145 | 120 | 18 | 4-18 | 180 | 1397 | 104.8 | 17.9 | 4-19 | 175 | 100 | 120 | 18 | 4-19 | |||
80 | 340 | F07/F10 | 17X17 | 195 | 160 | 135 | 20 | 8-18 | 190 | 152.4 | 127 | 19.5 | 4-19 | 185 | 150 | 130 | 18 | 8-19 | |||
100 | 390 | F07/F10 | 22X22 | 215 | 180 | 155 | 20 | 8-18 | 230 | 190.5 | 1572 | 24.3 | 8-19 | 210 | 175 | 155 | 18 | 8-19 | |||
125 | 380 | 250 | 210 | 188 | 22 | 8-18 | 255 | 215.9 | 185.7 | 24.3 | 8-19 | 250 | 210 | 182 | 20 | 8-23 | |||||
150 | 440 | 285 | 240 | 212 | 22 | 8-22 | 280 | 241.3 | 215.9 | 25.9 | 8-22 | 280 | 240 | 212 | 22 | 8-23 |
