保温球阀、船用阀
保温球阀、船用阀
产品详情


性能规范

•公称压力:PN1.6、2.5、4.0、6.4Mpa

•强度测试压力:PT2.4、3.8、6.0、9.6MPa

•低压气密封试验压力:0.6MPa

•适用介质:水、油品、气体、硝酸类、醋酸类

•适用温度:-29℃-150℃


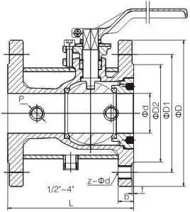
产品结构

1.png2.png 


保温球阀主要外形尺寸

公称通径

L

P

公称压力

D

D1

D2

B

F

Z-ΦD

公称压力

D

D1

D2

B

F

Z-ΦD

15

90

Rp3/8

PN16

105

75

55

14

2

4-M12

150LB

100

69.9

42.9

17.9

2

4-1/2

20

105

Rp3/8

115

85

65

14

2

4-M12

110

79.4

50.8

17.9

2

4-1/2

25

110

Rp3/8

135

100

78

16

2

4-M16

115

88.9

63.5

19.5

2

4-1/2

32

125

Rp1/2

145

110

85

16

3

4-M16

125

98.4

73

22.7

2

4-1/2

40

136

Rp1/2

160

125

100

16

3

4-M16

150

120.7

92.1

24.3

2

4-3/4

50

155

Rp1/2

180

145

120

18

3

4-M16

180

139.7

104.8

24.3

2

4-3/4

65

170

Rp1/2

195

160

135

20

3

8-M16

190

157.4

127

24.3

2

4-3/4

80

180

Rp1/2

215

180

155

20

3

8-M16

230

190.5

157.2

24.3

2

8-3/4

100

190

Rp1/2

245

210

185

22

3

8-M16

255

215.9

185.7

25.9

2

8-7/8

125

356

Rp1/2

285

240

210

22

2

8-Φ22

280

241.3

215.9

29

2

8-Φ22

150

394

Rp1/2

340

295

265

24

2

12-Φ22

345

298.5

269.9

29

2

12-Φ22

200

457

Rp1/2

405

355

320

26

2

12-Φ26

405

362

323.8

30.6

2

12-Φ25