设计制造标准
•设计与制造按GB/T 12236、GB/T 12235
• 结构长度按GB/T 12221
• 法兰连接尺寸按JB/T 79
• 检验按GB/T 26480
性能规范
•公称压力:1.6、2.5、4.0、6.3Mpa
• 强度试验:2.4、3.8、6.0、9.5Mpa
• 密封试验:1.8、2.8t 4.4、7.0Mpa
• 气密封试验:0.6Mpa
• 阀门主体材料:WCB( C)、CF8(P)、CF3(PL)、CF8M(R)、CF3M(RL)
• 适用介质:水、蒸汽、油品、硝酸类、醋酸类
• 适用温度:-29℃-425℃
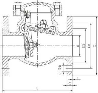
产品结构
主要外形尺寸
GBPN16
DN | L | D | D | D1 | D2 | C | F | N-ΦB |
50 | 120 | 50 | 160 | 125 | 100 | 16 | 3 | 4-Φ18 |
65 | 130 | 63 | 180 | 145 | 120 | 18 | 3 | 4-Φ18 |
80 | 150 | 80 | 195 | 160 | 135 | 20 | 3 | 8-Φ18 |
100 | 165 | 100 | 215 | 180 | 155 | 20 | 3 | 8-Φ18 |
125 | 190 | 124 | 245 | 210 | 165 | 22 | 3 | 8-Φ18 |
150 | 210 | 148 | 285 | 240 | 212 | 22 | 2 | 8-Φ22 |
200 | 255 | 198 | 340 | 295 | 268 | 24 | 2 | 12-Φ22 |
250 | 310 | 240 | 405 | 355 | 320 | 26 | 2 | 12-Φ26 |
300 | 320 | 297 | 460 | 410 | 378 | 28 | 2 | 12-Φ26 |
ANSI150LB
SIZE | L | D | D | D1 | D2 | C | F | N-ΦB |
2″ | 120 | 50 | 150 | 120.7 | 92.1 | 16.3 | 2 | 4-Φ19 |
2 1/2″ | 130 | 63 | 180 | 139.7 | 104.8 | 17.9 | 2 | 4-Φ19 |
3″ | 125 | 80 | 190 | 152.4 | 127 | 19.5 | 2 | 4-Φ19 |
4″ | 165 | 100 | 230 | 190.5 | 157.2 | 24.3 | 2 | 8-Φ19 |
5″ | 190 | 124 | 255 | 2159 | 1857 | 243 | 2 | 8-Φ22.5 |
6″ | 210 | 148 | 280 | 241.3 | 215.9 | 25.9 | 2 | 8-Φ22 |
8″ | 255 | 198 | 345 | 298.5 | 269.9 | 29.0 | 2 | 8-Φ22 |
10″ | 310 | 248 | 405 | 362 | 323.8 | 30.6 | 2 | 12-Φ25 |
12″ | 320 | 297 | 485 | 431.8 | 381 | 32.2 | 2 | 12-Φ25 |
JIS10k
SIZE | L | D | D | D1 | D2 | C | F | N-ΦB |
DN50 | 120 | 50 | 155 | 120 | 96 | 16 | 2 | 4-Φ19 |
DN65 | 130 | 63 | 175 | 140 | 116 | 18 | 2 | 4-Φ19 |
DN80 | 150 | 80 | 185 | 150 | 126 | 18 | 2 | 8-Φ19 |
DN100 | 165 | 100 | 210 | 175 | 151 | 18 | 2 | 8-Φ19 |
DN125 | 190 | 124 | 250 | 210 | 182 | 20 | 2 | 8-Φ23 |
DN150 | 210 | 148 | 280 | 240 | 212 | 22 | 2 | 8-Φ23 |
DN200 | 255 | 198 | 330 | 290 | 262 | 22 | 2 | 12-Φ23 |
DN250 | 310 | 248 | 400 | 355 | 324 | 24 | 2 | 12-Φ25 |
DN300 | 320 | 297 | 445 | 400 | 368 | 24 | 3 | 16-Φ25 |
