设计制造标准
• 设计制造按照:API 6D、BS 1868、ASME B16.34
• 结构长度按 ASME B16.10、API 6D
• 法兰连接尺寸按:ASME B16.5、ASME B16.47、JIS B2220
• 检查和测试按:ISO 5208、API 598、BS 6755
性能规范
• 公称压力:150、300LB、10K、20K
• 强度试验:PT3.0、7.5、2.4、5.8Mpa
• 密封试验:2.2、5.5、1.5、4.0Mpa
• 气密封试验:0.6Mpa
• 阀门主体材料:WCB (C)、CF8(P)、CF3(PL)。CF8M(R), CF3M(RL)
• 适用介质:水、蒸汽、油品、硝酸类、醋酸类
•适用温度:-29℃〜425℃
产品结构特点
止回阀是一种“自动”阀门,顺流打开,逆流关闭。靠系统中介质的压力打开阀门,当介质倒流时关闭阀门。操作因人而异。止回阀机构的类型。 最常见的止回阀类型有旋启式、升降式(旋塞式和球式)、蝶式、止回式、倾盘式。产品广泛应用于石油、化工、制药、化肥、电力、城建等行业管道系统。
止回阀可分为升降式止回阀、旋启式止回阀和蝶式止回阀三种。升降式止回阀可分为立式和直通式两种。旋启式止回阀又分为单式、双式和多式。阀门类型三、蝶形止回阀可分为蝶形双瓣、蝶形单瓣,以上几种止回阀按连接形式可分为螺纹连接、法兰连接、焊接和卡箍连接四种
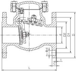
产品结构
主要尺寸及重量
Class 150
SIZE | D | D | D1 | D2 | T | C | N-ΦB | L |
DN15 | 18 | 90 | 60.3 | 34.9 | 1.6 | 10 | 4-Φ16 | 108 |
DN20 | 20 | 100 | 69.9 | 42.9 | 1.6 | 11 | 4-Φ16 | 117 |
DN25 | 25 | 110 | 79.4 | 50.8 | 1.6 | 12 | 4-Φ16 | 127 |
DN32 | 32 | 115 | 88.9 | 63.5 | 1.6 | 13 | 4-Φ16 | 140 |
DN40 | 38 | 125 | 98.4 | 73 | 1.6 | 15 | 4-Φ16 | 165 |
DN50 | 50 | 150 | 120.7 | 92.1 | 1.6 | 16 | 4-Φ19 | 203 |
DN65 | 64 | 180 | 139.7 | 104.8 | 1.6 | 18 | 4-Φ19 | 216 |
DN80 | 76 | 190 | 152.4 | 127 | 1.6 | 19 | 4-Φ19 | 241 |
DN100 | 100 | 230 | 190.5 | 157.2 | 1.6 | 24 | 8-Φ19 | 292 |
DN125 | 125 | 255 | 215.9 | 185.7 | 1.6 | 24 | 8-Φ22 | 330 |
DN150 | 150 | 280 | 241.3 | 215.9 | 1.6 | 26 | 8-Φ22 | 356 |
DN200 | 200 | 345 | 298.5 | 269.9 | 1.6 | 29 | 8-Φ22 | 495 |
DN250 | 250 | 405 | 362 | 323.8 | 1.6 | 31 | 12-Φ25 | 622 |
DN300 | 300 | 485 | 431.8 | 381 | 1.6 | 32 | 12-Φ25 | 698 |
10k
SIZE | D | D | D1 | D2 | T | C | N-ΦB | L |
DN15 | 15 | 95 | 70 | 52 | 1 | 12 | 4-Φ15 | 108 |
DN20 | 20 | 100 | 75 | 58 | 1 | 14 | 4-Φ15 | 117 |
DN25 | 25 | 125 | 90 | 70 | 1 | 14 | 4-Φ19 | 127 |
DN32 | 32 | 135 | 100 | 80 | 2 | 16 | 4-Φ19 | 140 |
DN40 | 38 | 140 | 105 | 85 | 2 | 16 | 4-Φ19 | 165 |
DN50 | 50 | 155 | 120 | 100 | 2 | 16 | 4-Φ19 | 203 |
DN65 | 64 | 175 | 140 | 120 | 2 | 18 | 4-Φ19 | 216 |
DN80 | 76 | 185 | 150 | 130 | 2 | 18 | 8-Φ19 | 241 |
DN100 | 100 | 210 | 175 | 155 | 2 | 18 | 8-Φ19 | 292 |
DN125 | 125 | 250 | 210 | 185 | 2 | 20 | 8-Φ23 | 330 |
DN150 | 150 | 280 | 240 | 215 | 2 | 22 | 8-Φ23 | 356 |
DN200 | 200 | 330 | 290 | 265 | 2 | 22 | 12-Φ23 | 495 |
DN250 | 250 | 400 | 355 | 325 | 2 | 24 | 12-Φ25 | 622 |
DN300 | 300 | 445 | 400 | 370 | 2 | 24 | 16-Φ25 | 698 |
DN350 | 350 | 490 | 445 | 415 | 2 | 26 | 16-Φ25 | 787 |
DN400 | 500 | 560 | 510 | 475 | 2 | 28 | 16-Φ27 | 864 |
